Keywords
Architecture
Measurement
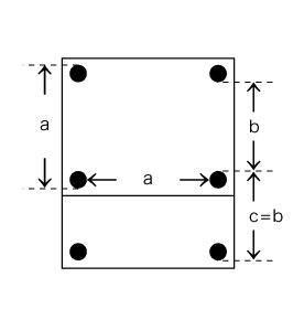
A method of measurement used to determine the size of a small, 1-bay wide shrine building *ikkensha-zukuri 一間社造. The space between the inside pillars in the transverse direction, (a) must be determined first. This measurement becomes the basis for the measurements that govern the placement of the pillars front, back and center of the structure. The gable side of the two pillars of the core toward the back equals the inside measurement, (b) from the front sanctuary *honden 本殿, pillar to the inside of the square pillar at the front of the step-canopy *kōhai 向拝. The measurement, (c) on the rear of the sanctuary pillars is equal to the outside measurements between the pillars of the step-canopy and the pillars at the front of the sanctuary.
